樓地面保溫施(shi)工是很多房地(di)産項目都會做(zuò)的,為了提高樓(lóu)地✏️面的保溫和(he)隔聲效果,采用(yòng)了效果比較好(hǎo)😄的浮築樓🏃🏻地面(miàn)🏃系統,該系統采(cai)用了HKS樓地面保(bǎo)🔞溫隔聲闆為主(zhǔ)材可以大幅度(du)🔞提高樓地面保(bao)溫隔聲效果。
一、HKS樓地面保(bǎo)溫隔聲闆的優(you)勢
該型号闆材(cai)使用的是改性(xìng)聚丙烯材料制(zhì)作,減震彈🈲性好(hǎo),可以将樓地面(mian)撞擊聲降到62分(fen)貝,低于高要求(qiu)标準的65分貝。同(tong)時🙇♀️導熱系數低(dī)于其他材料,保(bao)溫效果更好,厚(hou)度更薄,占用層(ceng)高㊙️更少,更适合(hé)用在室内中,無(wú)毒無味。
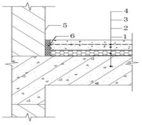
二、樓地(dì)面保溫隔聲系(xi)統施工
浮築系(xi)統施工過程要(yao)求比較好,首先(xian)清理水泥地👈面(mian)🈲,将毛坯房地面(miàn)清理幹淨;然後(hou)在樓地面邊角(jiao)樹💋立豎向隔聲(shēng)片,再在地面💁鋪(pu)設HKS樓地面保溫(wēn)隔聲闆,兩者材(cai)🤞質相同,使用防(fáng)水膠帶密封接(jiē)縫;常規的材料(liao)需要在闆材上(shàng)鋪設防水層,HKS 闆(pan)材不需要,因為(wéi)它具有防水防(fang)潮防黴的效果(guo);然後架設鋼絲(si)網片作🧡為保溫(wen)層龍㊙️骨;澆築水(shui)泥混凝土,振實(shí)平整養護。

海(hai)門市江城逸品(pǐn)項目
揚州市華(huá)信沁園項目
HKS改(gai)性聚丙烯保溫(wen)隔聲闆因為性(xing)能優越,施工更(gèng)加💔的🍓方㊙️便,快🌐捷(jié)👣,解決了常規材(cai)料面層易開裂(lie)問題,浙江衆創(chuàng)材料科技有限(xian)公🔞司專業生産(chan)改性聚丙烯材(cai)料,研發生産😄改(gai)性聚丙烯保溫(wēn)隔聲闆滿足樓(lou)地面保溫隔聲(shēng)需求。




浙公網安(ān)備33069902000300号